随着LNG(液化天然气)行业的快速发展,科里奥利质量流量计大量应用于LNG计量,而其在冷深介质中的计量精度却很难确定。本文以液氮作为测量介质,探索了LNG质量流量计的几种检定方法的优缺点。
0.引言
随着 LNG(液化天然气)行业的快速发展,科里奥利质量流量计作为一种高精度直接式质量流量计,具有可以测量质量、温度、密度等多参数,安装无上下直管段等优势 , 大量用于 LNG 行业,且多数都应用于贸易结算。在使用过程中实际精度尤其重要,但是现在国内却没有一套对于 LNG 质量流量计成熟可行的检定方法。
1.科里奥利质量流量计工作原理
科里奥利力简称科氏力,是对旋转体系中进行直线运动的质点由于惯性相对于旋转体系产生的直线运动的偏移的一种描述。
在旋转体系中,进行直线运动的质点,由于惯性而有着原有运动方向继续运动的趋势。但是由于体系本身是旋转的,在经历一段时间的运动后,体系中点的位置会有所变化,而它原有的运动趋势方向和位置变化后的运动方向会有所变化,导致其运动方向变化的力即是科氏力。
科里奥利质量流量计是利用流体在直线运动的同时处于另一旋转体系中,产生与流体的质量流量成正比的科里奥利原理制成的一种直接式质量流量仪表。该科里奥利力 F 会造成振动中的测量管发生扭转,如图 1 所示。

科里奥利质量流量计在测量管进端和出端各有 1 个信号检测器,被科氏力扭转的振动管进端和出端的运动状态不同步,会被检测器检测到一个时间差 , 该时间差与质量流量成正比。如图 2 所示。

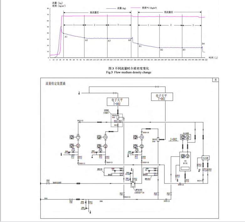
目前的 LNG 应用过程中温度一般为 -160 ~ -120℃ , 与环境温差大,最大的时候可能会到 200℃左右。因此 , 在管路中普遍存在气化现象形成气液混合多相流 。科里奥利质量流量计现大量使用在 LNG 计量中,其可以直接测量密度就很好地用于介质状态判断。例如不同流量时,密度的变化流量从 34kg/min 下降至 20kg/min,密度变化明显,流量计内部出现气液混合状态对流量计的计量造成影响。如图 3 所示。

2.检定系统
本套检定系统是使用相对 LNG 温度更低、安全性相对较高的液氮作为检定介质,可以更大程度地模拟 LNG 应用现场。本系统共设计标准表法、静态质量法、动态质量法 3 种方法检定,主要由液氮储罐、潜液泵、真空管路、低温换向阀、电子天平、标准表、管路统计、控制系统等组成。图 4、图 5 分别为工艺流程图和现场设备。

主要设备低温潜液泵使用 LFP50-32 可为系统提供 20m3/h 的液氮输送能力,标准表与被测表选用 LNG 加气机中大量使用的 CMF100 和 AMF025 两款质量流量计,电子天平选用量程 800Kg、检定分度值 20g 的高精度电子天平。
3.检定方法
3.1 标准表法
以标准科里奥利质量流量计为标准器,利用流体力学连续性原理,使液氮在相同时间间隔内连续通过标准流量计和被检流量计,由标准流量计得出标准流量值,与被检流量计得出的流量计比较,从而确定被检流量计的计量性能。简化工艺流程如图 6 所示。

启动控制系统使系统进入预冷状态,这时储罐的液氮将会流入到低温潜液泵、流量计、管路,使整个系统管路设备温度下降,当系统满足预冷条件时自动停止工作预冷流程;完成预冷后启动设置对应需要检定的流量点然后进入检定状态;开始检定时系统会自动通过标准表流量、密度、温度、增益等数据,判断当前系统是否达到计量状态,即可采集标准表与被测表当前累积值记录为起始累积,在 1min 后采集标准表与被测量当前累积值记录为结束累积,标准表累积差与被测表累积差进行比较,计算出误差。反复采集多次就可计算出对应重复性。测试数据见表 1。

3.2 静态质量法
静态质量法相对于标准表法设备上需要增加换向器、钢瓶、电子天平等设备设备。使用低温潜液泵作用将储罐的液氮经过被测表、换向器打入到钢瓶,最后通过电子秤测量出打入液氮的质量。简化工艺流程如图 7 所示。

启动控制系统使系统进入预冷状态,这时储罐的液氮将会流入到低温潜液泵、流量计、换向器、管路,使整个系统管路设备温度下降,当系统满足预冷条件时自动停止工作预冷流程;系统预冷完成后对钢瓶进行一次液氮充装,使钢瓶温度预冷;完成预冷后启动设置对应需要检定的流量点和检定量,然后进入检定状态。开始检定时系统会自动通过标准表流量、密度、温度、增益等数据判断当前系统是否达到计量状态;未达到计量状态时,液氮通过换向器直接回流至储罐;当达到计量状态时,换向器切换到钢瓶方向充装,同进记录被测表当前累积为起始累积,待充装至检定量时换向器切换到储罐方向,记录下被没测表当前累积为结束累积,被测表累积差与电子天平读数进行比较,计算出误差。反复采集多次就可计算出对应重复性。测试数据见表 2。

3.3 动态质量法
动态质量法与静态质量法在主要设备上只有换向器可以使用阀门直接替换,其他设备不变。使用低温潜液泵作用将储罐的液氮经过被测表、阀门 V2 充装至钢瓶,采集数据时需要同步采集流量计累积与称读数。简化工艺流程如图 8 所示。

开始检定之前预冷操作与静态法相同。开始检定系统会自动通过标准表流量、密度、温度、增益等数据判断当前系统是否达到计量状态:未达到计量状态时系统控制 V1 关、V2 开液氮直接回流至储罐,当达到计量状态时时系统控制 V1 开、V2 关钢瓶方向充装,等待流量稳定时,同时记录被测表当前累积以及电子天平读数为起始累积;待检达到检定量时,记录被测表当前累积以及电子天平读数为结束累积,被测表累积差与电子天平读数差进行比较,计算出误差。反复采集多次就可对应计算出对应重复性。测试数据见表 3。

静态质量法的重复性为最差的检定方式,并且在检定过程中人为操作方式、操作时间都会直接影响整个测量数据。例如在加注完成后人为拔下加气机的操作,以及软管结冰结霜程度不同,都会直引入不确定度。在换向器方面,由于低温导致换向器密封可靠性、长期稳定性、泄露检测及重复性都存在问题。
动态质量法在 3 种检定过程中数据重复性可以基本达到标准表法的重复性,但在多次测试中发现,几次测试误差差异较大,主要由于电子天平与流量计反应特性差异,造成采集滞后,连接软管应力导致秤读数差异等因素。
4.3 种检定方式比较
标准表法从数据上看为 3 种检定方法中重复性最好的检定方式,同时也是操作最为便捷的检定方式,但通过多次测试以及连续长时间测试流量计误差会变化。国内还没有对 LNG 流量计进行检定的深冷介质的检定装置,所以在实际应用中 LNG 流量计的精度就很难确定。
5.结束语
通过对 3 种检定法的测试,3 种方式都有其对应的优劣势。就现状而言,标准表法为相对比较可行的检定方式,但国内急需可以对标准表标定的深冷检定系统,而静态质量法与动态质量法在解决了上述问题后是可选取的方式。