基于超低功耗单片机MSP430F4152微控制器设计了时差式超声波流量计,实现了水流量的实时检测.实验装置利用高速计时芯片TDC-GP21完成精确的流量计量,利用RS-485总线方式将数据传输至远方计算机,利用LabVIEW软件将接收到数据做成表格并绘制成折线图以供分析.
超声波流量计由于具有结构简单、测量准确、 压力损失小等特点可以应用于气体液体体以及固体物质流量的测量,流速从几cm/s到十几m /s被测量介质工作温度可以达到上千℃的高温.在 工业现场应用越来越广泛时差法超声波流量检 测方法是测量超声波顺流和逆流的时间差,通过 计算得到流体的流速,但是在低流速情况下,时间 差只有n s级。使用常规的时间测量方法无法检测 到,而新型高精度计时芯片TDOOP21则可以完 成⑵级的测量.本文设计了基于超低功耗单片 机MSP430F4152微控制器的时差式超声波流量 计实验装置以实现对水流量的实时检测其中利用高速计时芯片TDC-GP21完成精确的流量计 量.利用RS-485通信模块将数据远距离传输至 计算机,利用计算机LabvIEW软件将接收到的 时间差和标准表读数做成表格并绘制成折线图以 供分析学生可以在实验中掌握超声波流量计的原理及实现过程.
1.时差式超声波流量计的原理
超声波在流体中的传播速度与流体的流速有 关,顺流超声波的传播速度大于逆流超声波的传 播速度D],本文涉及的时差式超声波流量计采用 2个超声波探头发送和接收信号,通过测量沿顺、 逆流方向传播时的时间差计算流体的速度.现考虑利用超声波u型反射法测量流速.原理如图 1所示.


2.实验装置总体结构
实验装置总体设计如图2所示,主要有流量 发生器、标准流量计、流量计量模块数据通信模 块和微机等流量发生器包括了水源水泵和阀 门开关,用于模拟实际管道的水流情况;流量计量 模块包括换能器驱动模块和信号处理模块 显示模块;数据通信模块利用Rs-485总线方式 进行数据通信.微机接收时间差和标准表读数数据,利用LabVIEW软件将数据做成表格并绘串折线图以供分析.

3.流量计量模块
测量流量的重点是对顺逆流时间差的测量. 以高精度计时芯片TDC-GP21为核心.可以精确 地测量顺逆流时间差为了保证实验的安全性和实验设备的便携性.采用了电池供电的方式,选择 超低功耗单片机作为主控芯片. 使用段式液晶显示.在硬件上保证了系统的超低 功耗.程序中通过多种低功耗模式和不同时钟频 率的选择.使得系统在电池供电条件下,可以长期 可靠地运行.在上述硬件平台基础上,在IAR编 译环境下使用C语言编写了控制程序.核心部 分是TDC-GP21的驱动程序,通过整合硬件资源,完成了流量的测量和显示.
硬件电路功能框图如图3所示.电路的工作原理是:系统上电后,单片机首先对自身和计时芯 片进行初始化设置.发送控制指令到收发时序控 制模块,用来确定此次测量的方向.发送开始指 令到局精度计时芯片了TDC-GP21.通知其内部的 脉冲发生器发射出1组脉冲信号.驱动换能器发 射超声波.同时GPM开始计时.超声波在通过

管道流体后换能器将接受的信号处理后送入GP21的STOP引脚,GP21计时结束,之后由算 术逻辑单元通过计算2次信号到下个时钟上升沿 的时间和中间时钟脉冲的个数算出声波信号在 流体中的传播时间.变换超声波的传播方向再次 测量,再次得到传播时间,这g个时间参量经过 运算得到顺逆流的时间差.由lCD显示模块进行 显示并由通信模块发送数据.
3.1超声波换能器
在超声波流量计中,超声波换能器是重要的 组成部分.也是本装置利用超声波技术进行流量 测量的关键.它直接影响流量计的准确性和性能 .本装置采用了目前应用最广泛的压电式超声波换 能器其性能相对于其他超声波换能器较好并且结构简单易于激励方便安装.
超声^频率越高.其对于测量而言,分辨率就 越高,测量精度就越高.用于水流的测量时.超声 波频率范围一般为〜理论上讲,为了 提高检测精度.应该选用频率较高的超声波.但是 对于同一种介质而言.超声波频率越高,衰减就越 大.衰减速度就越快,所以在实际应用¥要选择合 适的超声波频率,在本装置中,为了保证超声波 不被水吸收过多并保证接收信号的测量精度.选 择的超声波中心频率为丨MHz、入射角为90'本 装置所用超声波换能器的连接如图4所示.2个超声波换能器被安装在管段的正上方中心间距为L,管段底端正对着换能器的位置是2个不锈 钢反射镜面.可以有效地减少超声波反射时的能 量损耗换能器

3.2时间计量芯片TDC-GP21
在静水中超声波的传播速度为1 450 m 设 计的超声波流量计检测水的流速范围为0.05 %〜 20 m/s. 在相同路径传播下,准确测量超声波顺逆流时间差是检测的关键.以超声波在水中 的传播距离L=10.00cm为例.计算得其在静水 中的传播时间为68. 966Us 根据(4)式可知,水的 流速范围为0.05-20 m s时,顺流和逆流时间差 为4. 75 ns〜1. 90 因此计时精度必须达到! ns 以下,若水流速更k则要求的计时精度就更高•有 时甚至要求计时精度达到ps级,
随着集成电路的高速发展,高速时间芯片不 断出现,使得…级的测量精度成为可能本装置 采用的计时芯片是德国ACAM公司生产的新一 代局精度时间间隔数字转换芯片了DOGP21,内 部具有高速脉冲发生器温度测量时钟控制以及 停止信号使能等功能.测量精度^到几十ps,另 外芯片功耗非常低适合用于超声流量表中⑴

图5显不了 TDC~OP21测量绝对时间的主 要构架芯片是以信号通过内部门电路的传播延 迟进行高精度时间间隔测量•芯片所包含的智能 电路结构和冗余电路以及特殊的布线方法.使得 芯片可以精确地计算信号通过门电路的个数该系统采用的GP21芯片的测量范围为500 ns〜 4 ms.如图6所示,在该测量范围下芯片的高速 测量单元测量的并不是整个时间间隔.而是测量START和STOP到相邻的基准时钟上升沿之间 的精确间隔时间在2次精确测量之间,芯片内部 会记下基准时钟的周期数,最后再精确测量2个 周期的精确时间用于校准时钟周期,通过计算得 出该次测量时间的精确值,测量单元由START 信号触发,接收到STC)P信号后停止,测量范围 可达位
了 DOGP21具有精确的温度测量、触发脉冲 产生器和时钟校准器等多种功能,只要在其基础 上加上微处理器和传感器驱动模块.就可以构成 超声波流量计•微处理器只需发送开始命令, TDC-GP21发i脉冲触发超声波传感器并测量超 声波渡越时间计算出结果通过SPI串行 总线传给微处理器图7为时间计量的原理图


3.3 控制芯片 MSP430F4152
选择单片机除了要考虑到期望功能和开发环 境外,特别要关注单片机自身的功率和它所能提 供的节能方式以及重要的1(3接口线等.本装置 使用电池供电.首先要考虑单片机的能耗问题,采
用丁1公司的MSP430F4152单片机•它是专门为 低功耗而设计的16位的单片机.其自身具有非 常多的优点:在超低功耗方面,其处理器功耗在 业界是最低的.远低于其他系列产品,非常适合由 电池供电的场合.在运算性能上.单片机采用16位RISC结构•其在16 MHz晶振工作频率时,指 令速度可达16 MIPS,保证了运算的速度.单片 机强大的数据处理和运算能力.可以有效地处理 由GP21传来的时间信息.在开发工具上. MSP430系列单片机支持先进的JTAX}调试.利 用其软件集成开发环境IAR可以非常方便地用 e语言完成软件的开发• MSP430系列单片机均 为工业级产品.性能稳定.可靠性高,可用于各种 民用工业产品利用这种局性能 低功耗的单片机作为控制芯片.可以进行有效系 统控制并且大大减少系统耗能.
4.数据通信模块
远程抄表是新兴的抄表技术.能够解决人工抄表存在的效率低和易出错的问题,提高了工作效率和工作质量流量计实验装置中,通信接口电 路和端口转换器组成了数据通信部分,用于实现流 量计和标准流量表与上位机的数据远程传输
4.1通信接口电路
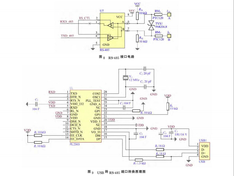
因为RS-485总线具有设计成本低成本、传输速度快、传输距离远等优点.所以本装置用 485总线标准,电路图如图8所示,由TXD和 RXD端口进行数据的发送和接收•信号由A和B 端口输出.所连接的TVS 二极管用于保护芯片免 受浪涌脉冲的破坏⑷•
42端口转换器简介
在与上位机进行通信时,所用到的端口转换 器是商业级USB转RSr485单口防雷防浪涌接口 转换器.以台湾PU303HX芯片为主芯片.原理 图如图9所示.该产品从上取电,无需外加电源,兼容USI3L0/L 1/2. 0.RS-485标准,能 够将USB信号及协议帧转换为平衡差分的485信号,可实现星形USB网络到RS-485网络 的桥接.转换器内部带有零延时自动收发转换模 块其独有的丨m电路可以自动控制数据流方向 而不需任何握手信号.也无需跳线设置实现全双工(RS^422)、半双工(R&485)模式转换,即插即 用确保适合一切现有的通信软件和接口硬件.


5.数据测试
微机接收到时间差和瞬时流量数据使用abVIEW软件将数据做成表格•如表1所示•并 且绘出折线图如图1()所示、可以看出时间差与瞬 时流量成线性关系

6.结语
本装置的核心是让学生在实验中掌握超声波 流量计的原理及实现方法,利用RS-485通信同 时采集流量计和标准流量表的数据并利用计算机 进行表格和图像的绘制,可看出在外界温度不变 的情况下瞬时流量与流量计测得的时间差是成 线性的•此外.超声波的波速会因温度的变化而 变化装置还配有温度测量部分.利用18B20 温度传感器测量温度.学生可自行研究温度对超 声波波速的影响并编程进行温度补偿