电磁流量计仪表系数的线性度分析
理论分析仪表系数的组成,通过标定实验,用不同的流速点拟合获得不同的仪表系数,
然后在不同流速下对不同的仪表系数进行验证,通过对标定验证结果的分析,发现电磁流量计仪表系数并非绝对线性,仪表系数线性度对不同流速下的测量精度具有明显的影
响,该分析结论对于电磁流量计的设计及生产均具有非常重要的参考价值。
1 引言
电磁流量计由于无压力损失、成本相对较低等优点,其应用越趋广泛,同时也要求电磁流量计朝着更加稳定、精度更高、重复性更好和使用寿命更长的方向发展。因此,如何提高电磁流量计的测量精度这一课题具有非常重要的研究意义。
2 电磁流量计基本原理
电磁流量计是一种测量导电液体流量的仪表,传感器部分主要由线圈,测量电极,钢管和绝缘内衬组成,如图1所示。其工作原理是:由电源驱动线圈,在管道内形成稳定磁场,电极、电极导线及两电极间的液体组成封闭回路,当导电液体流过时,切割磁力线,在电极两端产生感应电动势。
假设磁场B均匀,根据法拉第原理:

E=B×L×V
目前,电磁流量计的设计均基于这一理论基
础。 | 冲频率与介质流速间的关系中,分为增益误差与零点 |
3 电磁流量计仪表系数 | 偏置误差,增益误差表现为每台电磁流量计的增益Ki |
(i=1,2,3,...)值是不同的,而偏置误差表现为零点 | |
当一台电磁流量计完成装配后,在同一工作环 | 漂移,即在零流速下,输出脉冲频率不为零,因此: |
境或温度下,其线圈参数是相对固定的,因此,电流 | P=Ki×V+bi |
稳定后,磁场强度B是固定的,而两电极间的距离L | 另外,每台流量计的增益Ki及零点偏置值bi均不 |
也是恒定的,因此感应电动势E值与导电液体的流 | 一样,由增益与零点偏置组成每台电磁流量计的仪 |
速V成正比。 | 表系数。 |
变送器收集电极的电压信号,进行放大,滤波 | 由于受生产效率的限制,基于以上理论,电磁 |
降噪,以脉冲频率或其它方式输出流量信息。本文 | 流量计的标定普遍采用两流速点标定,然后拟合成 |
以脉冲频率输出为例,其脉冲频率与电极间的感应 | 直线,从而计算出增益与零点偏置值。但是两点拟合 |
电动势成正比关系,即脉冲频率与感应电动势一一 | 具有局限性,在不同流速下,两点拟合获得的仪表 |
对应,目的是建立数据传输过程中信号值的唯一 | 系数是否线性,以及线性度如何,目前还没有相关 |
性,因此有: | 的论文进行叙述或分析,因此通过标定试验分析, |
P=μ×E | 研究电磁流量计实际仪表系数的线性度,及其对精 |
上式中,P为输出脉冲频率,μ为正比系数,因此 | 度的影响,具有非常重要的意义。 |
有: | 4 实验步骤 |
P=μ×B×L×V | |
即输出脉冲频率 P与介质流速 V成正比,令 | 选择DN50的表进行标定实验,整个实验过程 |
K=μ×B×L,则有: | 中只采用一次安装,实验的具体步骤如下: |
P=K×V | 第一步:通过0.3m/s与3.0m/s两流速点标定, |
在电磁流量计行业,定义K为增益,它是电磁流 | 获得两点标定的仪表系数K1,并在0.3m/s,0.9m/s, |
量计仪表系数的重要组成部分。一台理想的电磁流 | 1.8m/s,3.0m/s,4.6m/s的流速下验证仪表系数,每 |
量计,输出脉冲频率与介质流速之间的关系如图2所 | 个流速验证5次; |
示。然而,在实际的生产过程中,由于受生产工艺稳 | 第二步:从第一步的验证数据中,选择不同的 |
定性的影响,会累积各种误差,累积误差在输出脉 | 流速点拟合计算标定系数; |
(1)5个流速点进行拟合,获得仪表系数K2; | |
(2)0.3m/s与0.9m/s两个流速点进行拟合,获 | |
![]() | 得仪表系数K3; |
(3)1.8m/s与3.0m/s两个流速点进行拟合,获 | |
得仪表系数K4; | |
第三步:在5个流速下验证仪表系数K2,K3, | |
K4,每个流速各自验证5次。 | |
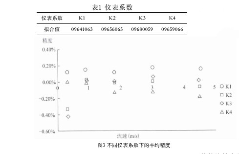
5 实验结果 | |
图2 P-V关系直线 | 如表1所示为不同流速点拟合获得的仪表系 |
数,各个仪表系数下验证的平均精度如图3所示。

6.析
(1)不同仪表系数在不同流速下的精度有较大的差异,在某特定流速点,精度高低受拟合点的影响;
(2)由0.3m/s与0.9m/s两流速点拟合获得的仪表系数,系数验证时,在0.3m/s与0.9m/s两个流速下获得的平均精度要比其他系数的高;
(3)由5个流速点拟合获得的仪表系数,系数验证时,在0.9m/s,1.8m/s,3.0m/s和4.6m/s流速下获得的精度最高;
(4)由1.8m/s与3.0m/s两流速点拟合获得的仪表系数,系数验证时,其精度与5个流速点拟合获得的仪表系数相当;
(5)相对与其他仪表系数,由0.3m/s与0.9m/s
两流速点拟合获得的仪表系数与5个流速点拟合获得的仪表系数相差较大,即低流速范围内的仪表系数线性度要比高流速范围内的线性度要差。
7 结论
电磁流量计的实际标定系数并非绝对线性,而是在一定误差范围内可以认为是线性的;电磁流量计标定系
数的线性度是电磁流量计的测量精度的重要影响因素;
在生产工艺一定的情况下,标定系数的算法对测量精度也有很大的影响,因此,实际生产中应根据电磁流量计的精度等级,适当调整标定工艺及标定系数的算法;
电磁流量计的线性度应该作为一个重要的性能指标进行量化;进一步研究影响仪表系数线性度的因素具有非常重要的应用意义。