超声波流量计的研究
物理学中的有一种超声波多普勒效应现象, 本文将探讨这一物理学现象应用于流量的监测系统之中。
引言
近年来,随着人口的增长,工农业生产和城镇建设的迅速发展,各河流域废污水排放量呈逐年不断增加。水质超标率也呈上升趋势;水污染日趋严重。特别是随着经济的发展很多工业城市的废水排放量较大,已造成城市地表水的严重污染,给人们的生活健康带来了巨大的隐患。国家也把政治重点流域的水污染防治列入了“十五”计划当中,要求各省市加大工作力度,推进污水防治工作。
基于以上情况我们在科普文献中看到了一种物理学现象即多普勒效应 Doppler effect 水波的多普勒效应。多普勒效应是为纪念奥地利物理学家及数学家克里斯琴·约翰·多普勒(Christian Johann Doppler)而命名的,他于 1842 年首先提出了这一理论。主要内容为:物体辐射的波长因为波源和观测者的相对运动而产生变化。这种现象称之为多普勒效应。基于超声多普勒效应,将现代声学的基础研究成果与电子技术相结合,就可以应用到液体的流量计量中。
1.多普勒超声波流量监测系统的原理及系统构成
■■1.1 多普勒超声波流量计的原理
多普勒超声波流量计是一种高性能非接触式流量计。该仪表是以超声波传播原理测量圆管内液体流量的仪表,探头只需贴装在管外侧,不与流体直接接触,其测量过程对管路系统无任何影响,使用非常方便。多普勒超声波流量计,主要适用于含有固体颗粒或杂质的多项流体的计量。
多普勒超声波流量计以多普勒效应为其工作原理,即反射声源被一个相对运动的介质反射时,反射信号与发射信号的频率出现差异,这种现象称之为多普勒效应,而这种频差称之为多普勒频差。

如图 1 所示,两个专门儿设计的超声波探头安装于管道外壁。探头 T 连续发射超声波 Ft, 超声波以声速 C 穿过管壁进入流体流速为 v 的流体之中,部分超声波遇到流体中的颗粒杂质等介质而发生反射,频率为 Fr 的超声波,由探头 R 接收。
接收频率 Fr 发生多普勒频移 Fd, 与流体流速成正比。其理论公式为:![]()
![]()
![]()
![]()
![]()
![]()
![]()
![]()
![]()
![]()
--- 式中为流体流向与超声波声束夹角
![]()
![]()
![]()
![]()
![]()
整理得
从上式可知通过测量 Fd 便可以得出流速 v,而流量 Q
通过管道截面积 S 得出 :Q=V*S。
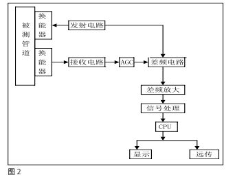
■■1.2 系统构成
超声波流量计分超声换能器(探头)与主机两部分,见

图 2。
1.2.1 高灵敏度、高分辨率单晶超声换能器
目前市面上的超声波流量计大多灵敏度不够,极易受周围环境的干扰。而超声换能器是超声检测系统中的重要组成部分,超声换能器的性能对超声检测的结果有着重要的影响。
为了保证检测结果的一致性和可靠性,灵敏度特性是一个重要的特性参数。为此我们参考借鉴了医用超声波探头的制作方法,国内超声波探头的研制往往落后于电子仪表部分。该方法采用了锆钛酸铅 (PZT) 圆形压电超声换能器,超声换能


